Jari manual tipis seri HFD
Keunggulan Produk
1. Struktur kompak: Ketinggian keseluruhan berkurang sekitar 50% dibandingkan
produk rahang paralel dengan gaya penjepitan yang sama,
secara efektif mengurangi ruang perangkat dan momen tumpah.
2. Desain rel ganda: desain jalur ganda meningkatkan rentang beban dan momen lentur (Mr) beban lebih baik.
3. Struktur piston ganda: Penggerak piston ganda, keluaran ganda untuk gaya penjepitan yang lebih besar.
4. Diperbaiki di empat sisi: Dapat diperbaiki di empat arah dan memiliki kebebasan yang tinggi.
5. Dengan slot sakelar magnetik kebulatan: Slot sakelar magnetik kebulatan nyaman untuk memasang sakelar induktif tipe DMSHICMSHIEMSH
6.Dengan lubang pemosisian: Bagian bawah bodi dilengkapi dengan lubang pemosisian yang dapat meningkatkan presisi dan konsistensi penurunan dan pemosisian berulang kali.
rincian produk:
Jari pneumatik seri HFD BESTEN memiliki desain tipis dengan kapasitas beban bentang dan momen yang besar. Mode aksinya adalah tipe aksi ganda, melalui penggerak piston ganda dapat menggandakan keluaran, sehingga memperoleh gaya penjepitan yang lebih besar. Selain itu, jari pneumatik ini memberikan perhatian khusus pada keakuratan pemasangan dan konsistensi posisi pembongkaran berulang, sehingga disediakan lubang pin positioning di bagian bawah bodi.
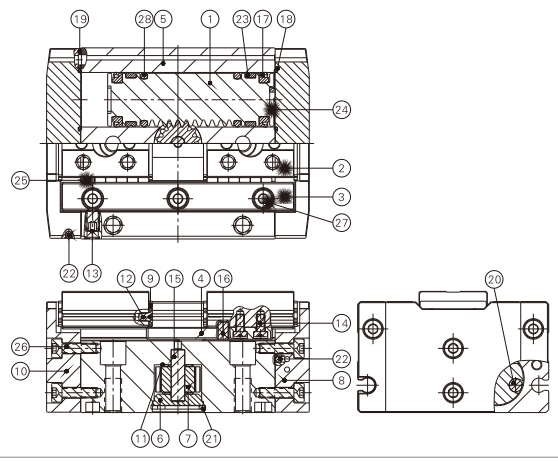
Struktur interior jari pneumatik tipis seri HFD
TIDAK |
item |
Bahan |
1 |
Rak |
Besi tahan karat |
2 |
Mulut |
Besi tahan karat |
3 |
Memandu |
Besi tahan karat |
4 |
Lengan sendi |
Baja Cr-Mo |
5 |
Tubuh |
Paduan aluminium |
6 |
Tutup ujung rak |
Paduan aluminium |
7 |
Gigi |
Baja Cr-Mo |
8 |
Kembali Coyer |
Paduan aluminium |
9 |
Membingungkan |
Besi tahan karat |
10 |
Sampul depan |
Paduan aluminium |
11 |
Bantalan plastik |
Bahan tahan aus |
12 |
Baut |
Baja tahan karat/baja paduan |
13 |
Baut |
Baja paduan |
14 |
Baut |
Baja paduan |
15 |
Pin |
Baja bantalan |
16 |
Pin |
Baja bantalan |
17 |
Segel piston |
NBR |
18 |
Cincin-O |
NBR |
19 |
Cincin-O |
NBR |
20 |
magnet |
Bahan tanah jarang |
21 |
klip C |
Baja pegas |
22 |
Bola baja |
Baja tahan karat |
23 |
Memakai cincin |
Bahan tahan aus |
24 |
Bumper |
TPU |
25 |
Bola baja |
Baja bantalan |
26 |
Baut |
Baja paduan/Baja tahan karat |
27 |
Baut |
Baja paduan/Baja tahan karat |
28 |
Cincin-O |
NBR |
Catatan:HFD8 No.12 dan No.27 terbuat dari baja paduan. |
||
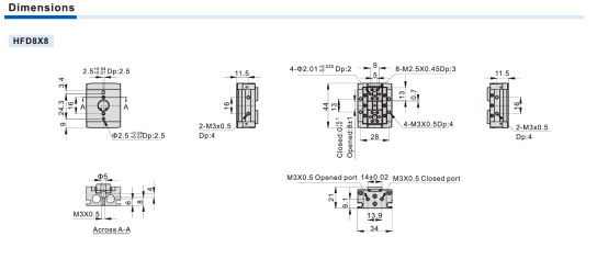
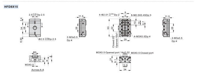
Spesifikasi referensi eksternal jari pneumatik tipis seri HFD
Pengiriman:
Pabrik:








