Tripod LB bantu silinder
Keunggulan Produk katup mekanis JM07
1, ketahanan aus pembentukan terintegrasi: Penggunaan pembentukan stamping terintegrasi, daya dukung yang kuat, tidak mudah pecah dan rusak, pengoperasian yang sederhana dan nyaman
2, pengobatan anti-oksidasi: ketahanan aus, ketahanan tekanan, ketahanan korosi, mencegah karat oksidasi
3, bahan logam: kekerasan tinggi, ketahanan aus, cocok untuk pekerjaan frekuensi tinggi
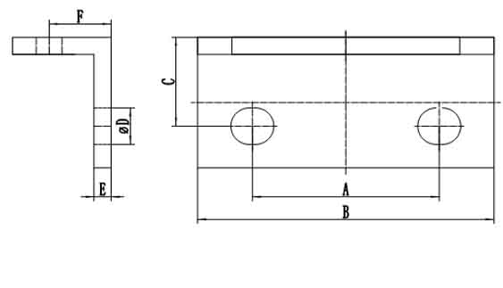
Detail produk tripod bantu silinder LB
Tripod LB bantu pneumatik adalah aksesori silinder, yang terutama digunakan untuk memasang silinder dan mencegahnya bergerak karena gaya. Tripod tersedia dalam berbagai spesifikasi dan model, seperti LB-32, LB-40, LB-50, LB-63, LB-80, LB-100, LB-125, LB-160, dan LB-200. Mereka banyak digunakan dalam peralatan pneumatik untuk meningkatkan stabilitas dan efisiensi peralatan.
Spesifikasi Referensi tripod bantu silinder LB
lubang silinder |
A |
B |
C |
∅D |
E |
F |
32 |
33 |
50 |
25.5 |
9 |
3 |
5 |
40 |
37 |
55 |
29 |
12 |
3 |
17 |
50 |
47 |
66 |
35 |
12 |
3 |
22 |
63 |
56 |
80 |
35 |
12 |
3 |
20 |
80 |
70 |
95 |
42 |
14 |
4 |
25.5 |
100 |
84 |
115 |
47 |
14 |
4 |
24.5 |
125 |
87 |
140 |
40.5 |
17 |
8 |
29 |
160 |
116 |
180 |
52.5 |
17 |
8 |
52.5 |
200 |
135 |
220 |
70 |
22 |
10 |
47.5 |
250 |
165 |
280 |
80 |
26 |
16. |
55 |



